3-fázové digitální panelové měřiče Multimetr proudu Napětí Indikátor frekvence
3-fázové digitální panelové měřiče Multimetr proudu Napětí Indikátor frekvence
Ujistěte se, že jste zvolili správnou variantu produktu.
Skladové zásoby docházejí, zbývající množství: 6
0.0 kg
Dostupnost vyzvednutí nebylo možné načíst
Sdílet
Multimetr - panelový multimetr 3-fázový, multifunkční digitální panelový měřič, ukazatel proudu, napětí a frekvence, výrobce TENSE (Turecko), panelové měřiče
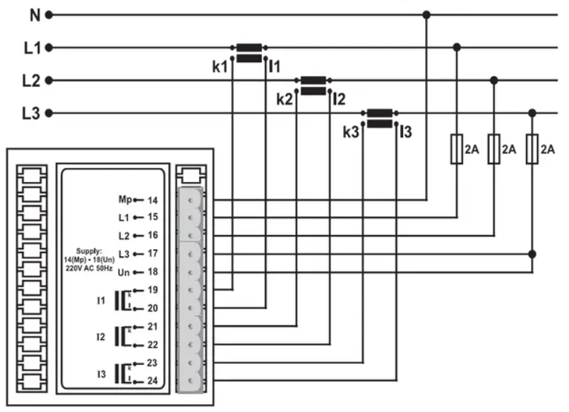
Třífázový VAHz panelový měřič střídavého proudu pro měření proudu, napětí a kontrolu zapojení fází v třífázových zařízeních, strojích nebo rozvodech střídavého proudu.
Hlavní výhody:
- (I,U(L-L,L-N,HZ);
- Rozsah měření:
- (EM-06 a EM-72), nepřímé měření 5/5...9995/5A (EM-06 a EM-72), 1A - 100A (EM-100D) , 2-250A (EM-250D);
-
Napětí - 1V-300V AC (L-N), 1V-500V AC (L-L);
- frekvence - 40Hz-60Hz;
-
Sledování fáze;
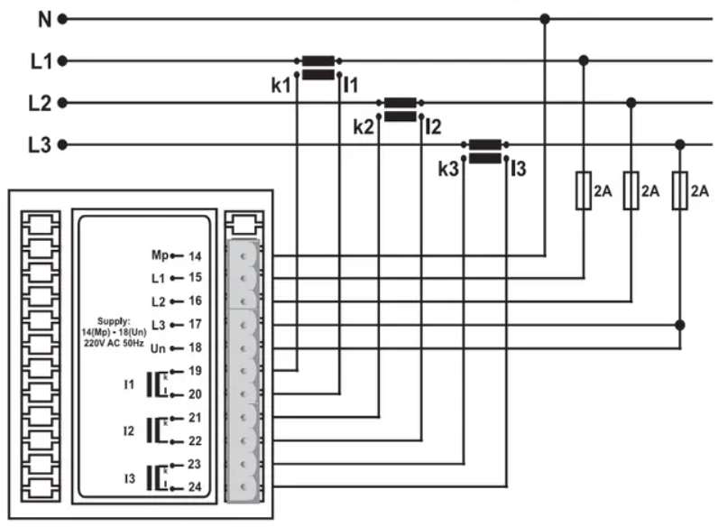
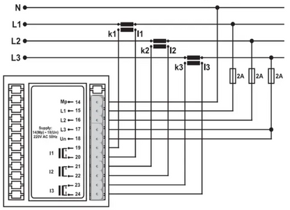
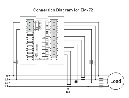
- Měřicí transformátor je součástí dodávky (EM-100D a EM-250D).
Obvykle se tento multimetr (EM-06/EM-72) používá s měřicími transformátory proudu - 60/5 75/5 100/5 150/5 200/5 250/5 300/5 400/5 500/5 600/5 800/5 1000/5 1500/5 nebo podobnými. Takové transformátory můžete zakoupit v našem e-shopu,
SKU:EM-100D
