Automatický přepínač hvězda trojúhelník / Časové relé hvězda-trojúhelník
Automatický přepínač hvězda trojúhelník / Časové relé hvězda-trojúhelník
Ujistěte se, že jste zvolili správnou variantu produktu.
14 skladem
0.0 kg
Dostupnost vyzvednutí nebylo možné načíst
Sdílet
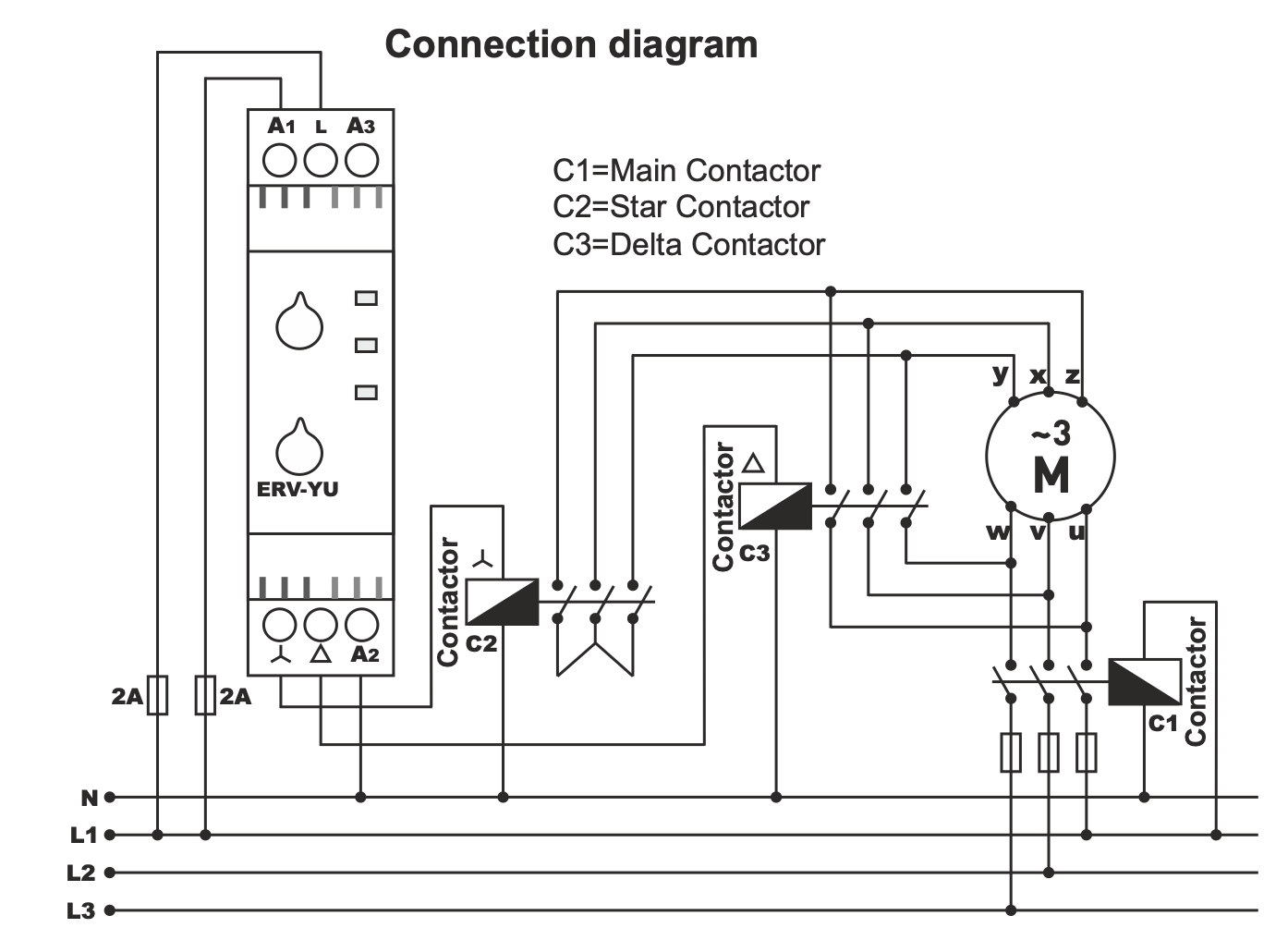
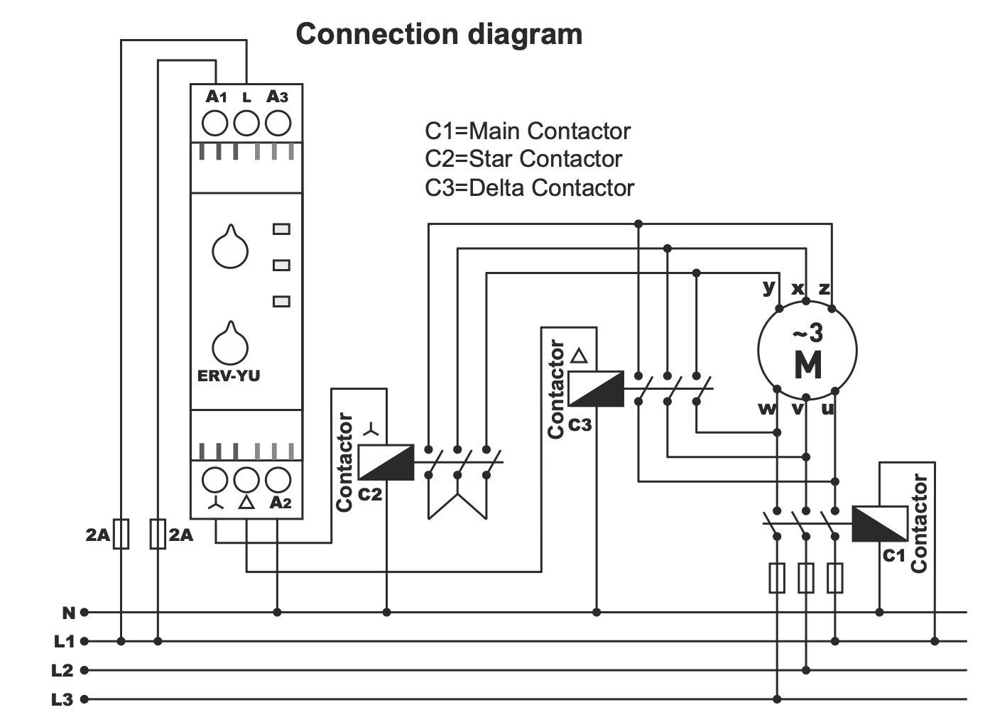
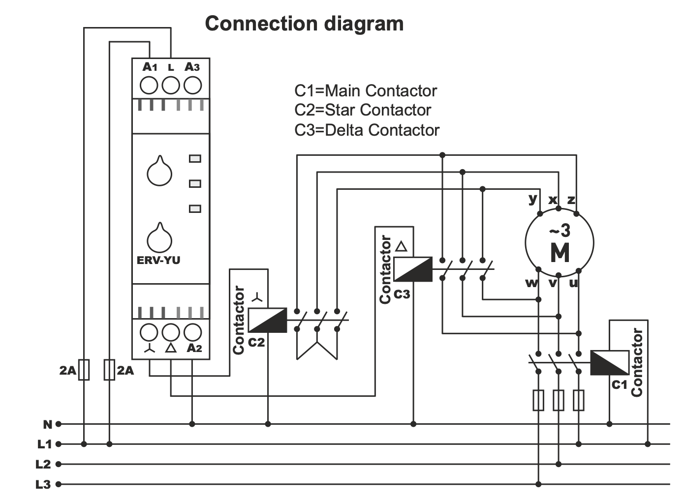
Relé pro spouštěcí režimy hvězda–trojúhelník (ERV-YU)
Spouštěcí relé ERV-YU je určeno pro automatické řízení rozběhu elektromotorů v režimu HVĚZDA–TROJÚHELNÍK při pracovním napětí 24/220 V AC. Relé zajišťuje měkký start motoru, snižuje spouštěcí proud a prodlužuje životnost celého pohonného systému. Je vybaveno světelnou indikací režimů ON, STAR (HVĚZDA), TRIANGLE (TROJÚHELNÍK) a umožňuje nastavení času rozběhového režimu.
Popis a princip činnosti
Pro plynulý start elektromotoru je nejprve aktivován režim HVĚZDA, který snižuje počáteční proudový náraz. Po dosažení potřebných otáček je vinutí automaticky přepnuto do režimu TROJÚHELNÍK, ve kterém motor pokračuje v běžném provozu.
Automatické přepínání režimů pomocí relé a stykačů zvyšuje stabilitu celého systému a eliminuje rizika spojená s ručním ovládáním.
Po přivedení napětí na svorky A1–A2 relé:
-
Aktivuje se kontakt STAR, rozsvítí se kontrolka STAR a začne se počítat interval rozběhu t1 (0,1–30 s).
-
Po uplynutí času t1 se kontakt STAR odpojí, kontrolka zhasne a spustí se krátká pauza t2 (15 ms).
-
Následně se sepnou kontakty Faz–TRIANGLE, rozsvítí se kontrolka TRIANGLE a relé zůstává v tomto režimu po celou dobu, kdy je na svorky A1–A2 přivedeno napětí.
Využití
Relé ERV-YU je vhodné pro:
-
automatické řízení spínání motorů v režimu hvězda–trojúhelník
-
průmyslové aplikace s vysokými nároky na stabilní a bezpečný rozběh motorů
-
systémy, kde je potřeba snížit spouštěcí proud a chránit elektrickou síť
Doplňkový sortiment
K relé můžete zakoupit:
-
stykače a spouštěče
-
stykače s mechanickým blokováním
-
samostatné mechanické blokovací moduly
-
kovové rozvaděčové skříně s krytím IP65
To vše je dostupné přímo ze skladu za výhodné ceny.
SKU:ERV-YU
