|
Monitorovací nadproudové relé
TRM-30F s displejem, 3-fázové do 25A
Je určeno k ochraně zařízení
citlivých na hodnoty provozního proudu a napětí před chybami, které mohou
vzniknout v důsledku:
-
proudového přetížení
(nastavitelná hodnota proudu 0,5 … 30 A)
- asymetrie proudu (50 %, pevná hodnota)
- asymetrie napětí (30 %, pevná hodnota)
- přepětí a podpětí (Umin: 265 V, Umax: 440
V, pevná hodnota)
Digitální nadproudové relé přetížení TRM-30F s
displejem umožňuje zobrazit aktuální proud v každé fázi a chránit motor nebo
spotřebič proti nadproudu, přepětí, podproudu, výpadku fáze a změně pořadí
fází. Tato digitální přetížovací relé jsou navržena tak, aby zabránila
poškození motoru/zátěže vysokými proudy a zároveň umožnila kontrolu
aktuálního proudu tekoucího v každé fázi na displeji. Také dokáží kontrolovat
hodnoty sdruženého napětí mezi fázemi.
Díky dvěma výstupním relé (1x NO, 1x NC) je
možné také ovládat či odpojit zátěž při dosažení nastavené hodnoty nadproudu,
nebo zapnout signalizační kontakt do řídicího systému. Digitální relé TRM-xx
mají vestavěné proudové transformátory a 3x3-místný displej pro zobrazení
proudu.
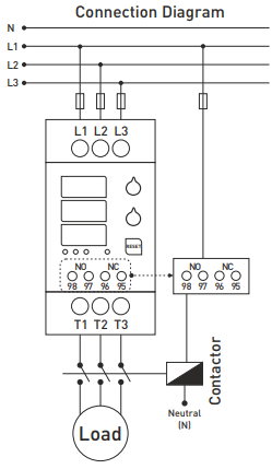
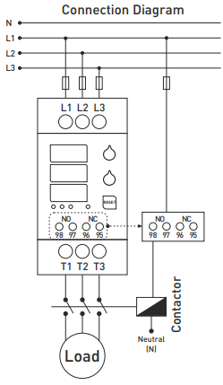
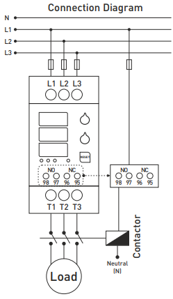
Použití a princip činnosti
- Připojte zařízení podle připojovacího
schématu. Nesprávné připojení může poškodit zařízení.
- Nastavte nadproud zařízení pomocí ovladače
">A" podle provozního proudu zátěže, kterou budete
kontrolovat.
- Po připojení napájení se během první
sekundy na horním displeji zobrazí nastavená hodnota nadproudu a na
středním displeji čas čekání na chybu.
- Aktuální hodnoty proudů z fází se zobrazí
po jedné sekundě provozu a rozsvítí se indikační LED.
- Po stisknutí tlačítka "V/A/RESET"
se zobrazí hodnoty sdruženého napětí mezi fázemi.
Ovladače
-
"A>" – nastavení dovoleného přetížení; hodnota
se zobrazuje na horním displeji.
-
"sec." – nastavení času čekání na chybu
nadproudu; hodnota se zobrazuje na středním displeji.
Stav kontaktů
- Zařízení bez napětí nebo v chybovém stavu:
NO rozepnutý, NC sepnutý.
- Zařízení pod napětím a bez
chyb: NO sepnutý, NC rozepnutý.
Indikační LED
-
LED "V" – svítí při přepětí/podpětí nebo chybě
asymetrie napětí.
-
LED "A" – svítí při vysokém proudu
nebo chybě proudové asymetrie.
-
LED "XI" – svítí při nesprávném
pořadí fází.
-
LED "NOR" – svítí, když je zařízení
pod napětím a systém je bez chyb.
Funkce tlačítka
"V/A/RESET"
-
Reset: stisknutí na 3 sekundy
vymaže chybu, LED „A“ zhasne, NO kontakt se sepne, NC kontakt se
rozepne.
-
V/A: krátké stisknutí přepíná
zobrazení mezi hodnotami proudu a napětí.
Ochrany a princip činnosti
1. Ochrana proti nadproudu (0,5–30
A):
- Vstup do chybového stavu: při
překročení nastaveného nadproudu se čeká nastavený čas. Displej fáze
bliká, LED „A“ svítí, NO rozepnutý, NC sepnutý, LED NOR zhasne.
- Opustění chybového stavu:
proud pod nastavenou hodnotu, stisknutí resetu na 3 sekundy.
2. Ochrana proti asymetrii proudu:
- Vstup: rozdíl proudu mezi fázemi >50 %,
čeká 3 sekundy, displej bliká, LED „A“ svítí.
- Opustění: rozdíl <50 %, stisknutí resetu
na 3 sekundy.
3. Ochrana proti přepětí (U>440
V):
- Vstup: napětí >440 V, čeká
3 sekundy, displej bliká, LED „V“ svítí.
- Opustění: napětí <435 V po
dobu 3 sekund.
4. Ochrana proti podpětí (U<265
V):
- Vstup: napětí <265 V, čeká
3 sekundy, displej bliká, LED „V“ svítí.
- Opustění: napětí >270 V po
dobu 3 sekund.
5. Ochrana proti asymetrii napětí:
- Vstup: rozdíl napětí >30 %, čeká 3
sekundy, displej bliká, LED „V“ svítí.
- Opustění: rozdíl <30 % po dobu 3 sekund.
6. Ochrana sledu fází:
- Nesprávné zapojení fází rozsvítí LED „XI“.
Výpočet proudové asymetrie
Přístroj vypočítá asymetrii podle vzorce:

Příklad: ((25 – 15) / 25) × 100 = 40 % proudové asymetrie
Technická specifikace
- Napájecí napětí: měřené napětí 3f 3x400 VAC
- Provozní napětí (Un): 3x380 V AC 50/60 Hz,
vlastní příkon <10 VA
- Nastavitelný nadproud (Overload): 0,5–30 A
- Čekání na chybu (t): 0–20 s
- Displej: 3x3 číslice, výška 9
mm, 7 indikačních LED
- Přepětí: 440 V (L-L)
- Podpětí: 265 V (L-L)
- Asymetrie napětí: 30 %
- Asymetrie proudu: 50 %
- Čekání na chybu asymetrie: 3 s
- 2x výstupní relé (1x NO, 1x
NC): 3 A / 250 V AC (rezistivní zátěž)
- Typ připojení: šroubové svorky
- Průřez kabelu: 2,5 mm² (kontakty relé) / 6
mm² (vstup a výstup zátěže pro měření)
- Hmotnost: max. 380 g
- Montáž: na DIN lištu
- Provozní teplota: -20°C … +55°C
- Provozní nadmořská výška: <2000 m
|