Digitální relé regulace teploty a vlhkosti pro montáž do panelu, ON - OFF
Digitální relé regulace teploty a vlhkosti pro montáž do panelu, ON - OFF
Ujistěte se, že jste zvolili správnou variantu produktu.
Skladové zásoby docházejí, zbývající množství: 6
0.0 kg
Dostupnost vyzvednutí nebylo možné načíst
Sdílet
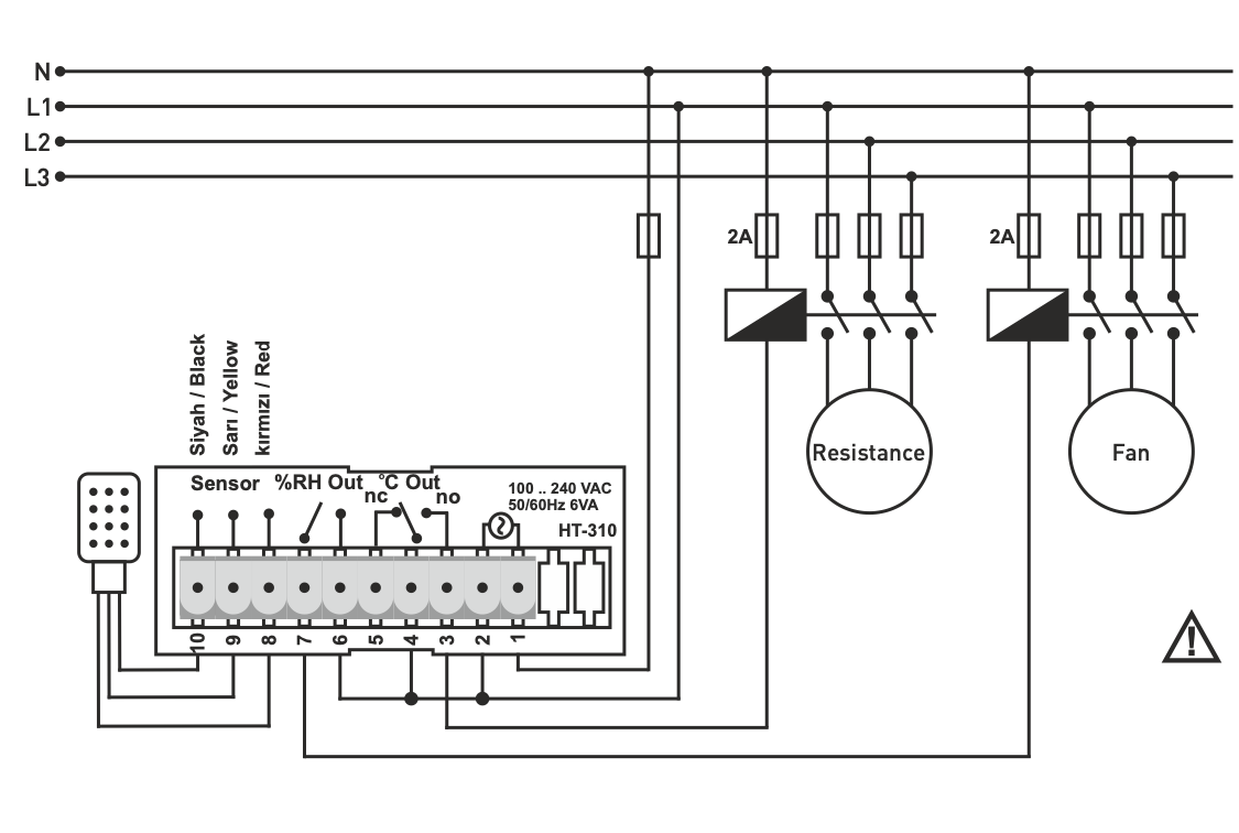
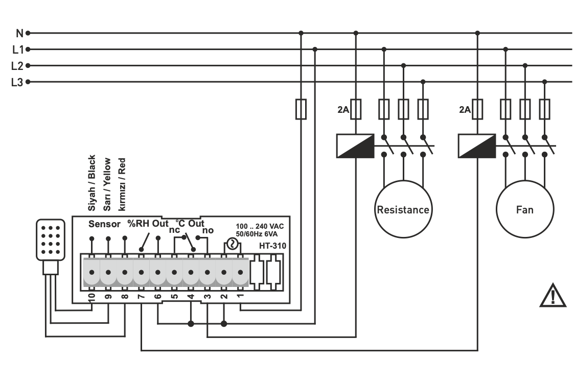
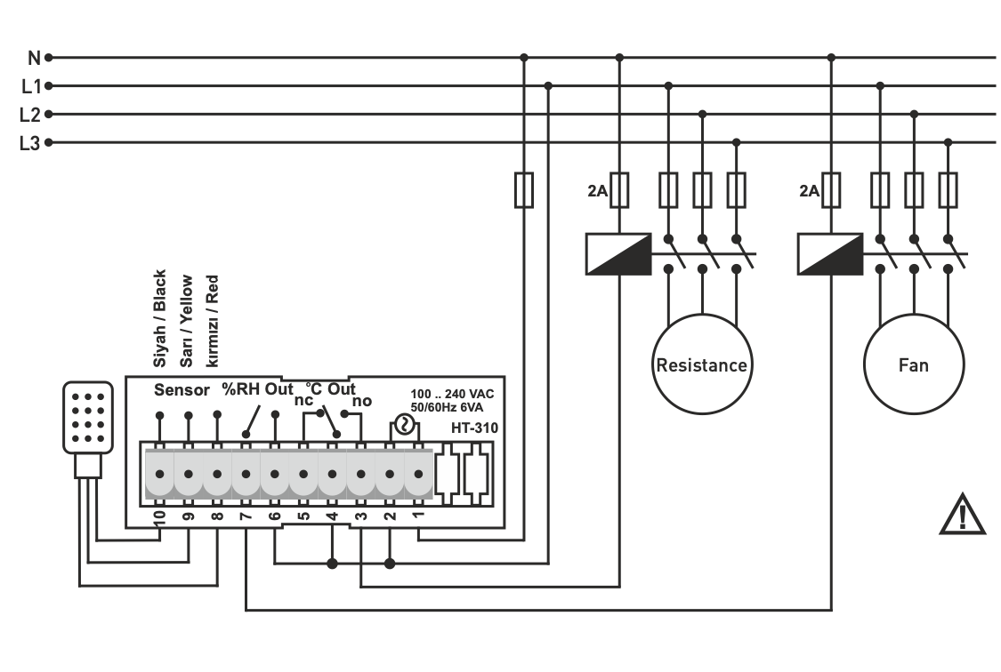
Digitální relé regulace teploty a vlhkosti. Měřicí stupnice -19,9ºC ...+80ºC, 5 .. 95 %RH (vyrobeno v Turecku, TENSE)
Regulace a sledování tepelných a vlhkostních procesů systémů vytápění, klimatizace a větrání, automatizace budov, průmyslových provozů.
Regulátor teploty a vlhkosti na bázi μP
- Hystereze
Paměť EEPROM pro uložení nastavení
Ochrana heslem
Vysoká přesnost
ºC Výstup – Relé (NO + NC), 250VAC, 2A, Odporová zátěž
%RH Výstup – Relé (NO), 250VAC, 2A, Odporová zátěž
Samostatný nastavitelný „Offset“ pro měření teploty a vlhkosti
Nastavitelný časovač zpoždění před OUT ON pro funkci chlazení
Režim ovládání ON-OFF
SKU:HT-310
