Digitální ukazatel proudu třífázový panelový ampérmetr třífázový vestavný
Digitální ukazatel proudu třífázový panelový ampérmetr třífázový vestavný
Ujistěte se, že jste zvolili správnou variantu produktu.
Skladové zásoby docházejí, zbývající množství: 9
0.0 kg
Dostupnost vyzvednutí nebylo možné načíst
Sdílet
DJ-A96T – Třífázový digitální panelový ampérmetr
Třífázový digitální ampérmetr DJ-A96T je určen pro přesné sledování proudu v třífázových systémech. Umožňuje zobrazit okamžité zatížení na jednotlivých fázích L1, L2, L3 pomocí externích proudových transformátorů (CT). Zařízení nabízí jasný displej, jednoduché nastavení a spolehlivý provoz.
Hlavní vlastnosti
-
Měření proudu v třífázových soustavách
-
Samostatný údaj pro fáze L1, L2, L3
-
Měření pomocí externích proudových transformátorů
-
Snadné nastavení převodového poměru CT
-
Velký a čitelný displej – 3×4 číslice, výška 14 mm
-
Kompaktní panelové provedení
Technické parametry ampérmetru
-
Napájecí napětí: 230 V AC
-
Spotřeba zařízení: < 4 VA
-
Měřicí rozsah proudu: 0,1…5,5 A
-
Podporovaný rozsah CT: 5/5 A až 5000/5 A
-
Přesnost měření: ±2 %
-
Displej: LED, 3×4 číslice, výška 14 mm
-
Rozměry: 97,2 × 97,2 mm
-
Rozměr pro výřez: 91 × 91 mm
-
Hloubka: 45 mm
-
Balení neobsahuje proudové transformátory (lze dokoupit samostatně)
Princip činnosti a nastavení
-
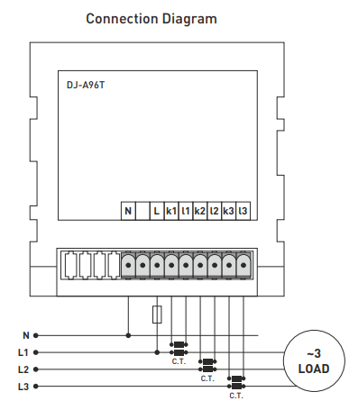
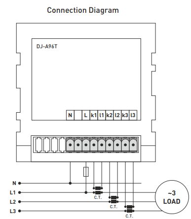
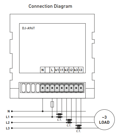
Připojte zařízení podle schématu zapojení.
-
Připojte proudové transformátory podle očekávaného proudu v soustavě (převod xxxx/5 A).
-
Vodiče CT připojte ke svorkám „kx“ a „lx“. Výstup z CT nesmí přesáhnout 5 A.
-
Po zapnutí napájení podržte tlačítko „Menu“ 2 sekundy.
-
Pomocí tlačítek Nahoru / Dolů nastavte převod použitých CT.
-
Nastavení uložte dlouhým stiskem tlačítka „Menu“.
-
Po připojení zátěže začne ampérmetr měřit a zobrazovat proud.
Upozornění: Proudové transformátory musí být z bezpečnostních důvodů vždy uzemněny.
Technické vlastnosti polovodičového výstupního relé
(Tentokrát uvedené parametry odpovídají SSR – pokud má být odděleně, mohu to rozdělit.)
-
Typ relé: polovodičové
-
Řídicí napětí (vstup): 3…32 V DC
-
Spínané napětí: 24…480 V AC (nevhodné pro motory)
-
Úbytek napětí při sepnutí: < 3 V
-
Spouštěcí proud: 5 mA
-
Napětí cívky: 3…32 V DC
-
Maximální spínaný proud: 25 A
-
Izolační pevnost: 2500 V AC
-
Způsob spínání: zapnutí při průchodu proudu nulou (zero-cross)
SKU:DJ-A96T
