Elektronické počítadlo pulzů / Počítadlo impulzov
Elektronické počítadlo pulzů / Počítadlo impulzov
Ujistěte se, že jste zvolili správnou variantu produktu.
Skladové zásoby docházejí, zbývající množství: 4
0.0 kg
Dostupnost vyzvednutí nebylo možné načíst
Sdílet
Čítač impulsů DS-48 – 2× displej, 2 vstupy, reléový výstup
Popis produktu
Čítač impulsů DS-48 je univerzální dvouvstupový panelový čítač vybavený dvěma 4místnými LED displeji (aktuální hodnota + cílová hodnota). Umožňuje počítat, odpočítávat a zpracovávat signály z mechanických spínačů, PNP/NPN indukčních senzorů i inkrementálních enkodérů. Díky širokému výběru vstupních a výstupních funkcí je vhodný pro průmyslové automatizační systémy, výrobní linky, měřicí stanice a řízení procesů.
Hlavní vlastnosti
-
2× 4místný 7segmentový LED displej
-
1× výstupní relé OUT + výstup pro SSR
-
Více režimů: počítání, odpočítávání, sčítání z více vstupů, řízení přes druhý vstup
-
Podpora mechanických spínačů, PNP/NPN senzorů i enkodérů
-
Volitelná vstupní frekvence: 20 / 50 / 2500 / 7500 Hz
-
Heslová ochrana nastavení
-
EEPROM paměť – uchování dat při výpadku napájení
-
Možnost nastavit OFFSET a desetinnou čárku
-
Automatické obnovení poslední hodnoty po výpadku napájení
Funkce
Vstupní funkce (7 režimů):
-
Počítání nahoru
-
Odpočítávání dolů
-
Sčítání ze dvou vstupů současně
-
Pauza řízená druhým vstupem
-
Negace vstupu
-
Počítání z náběžné / sestupné hrany
-
Kombinace: sčítání z jedné hrany, odčítání z druhé, negace atd.
Výstupní funkce (9 režimů):
-
Sepnutí relé po dosažení cíle
-
Držení do RESET
-
Impulsní výstup 0,1–999,9 s
-
Řízení přes SSR výstup (NPN)
Technické parametry
Displej a rozměry
-
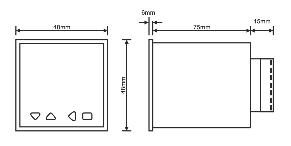
Rozměry: 48 × 48 × 96 mm
-
Montážní otvor: 44 × 44 mm
-
Displej: 2× 4místný LED
Vstupy
-
Počet vstupů: 2
-
Typy vstupů: mechanický spínač, PNP/NPN senzor, výstup enkodéru NPN/PNP/totem-pole
-
Vstupní napětí: 5–30 V
-
Max. frekvence vstupu: 7500 Hz
-
Volitelné frekvence: 20 / 50 / 2500 / 7500 Hz
-
Reset vstup: PNP, min. 10 ms, svorka 12
-
Napájení senzorů: 12 VDC / 50 mA (max)
Výstupy
-
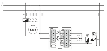
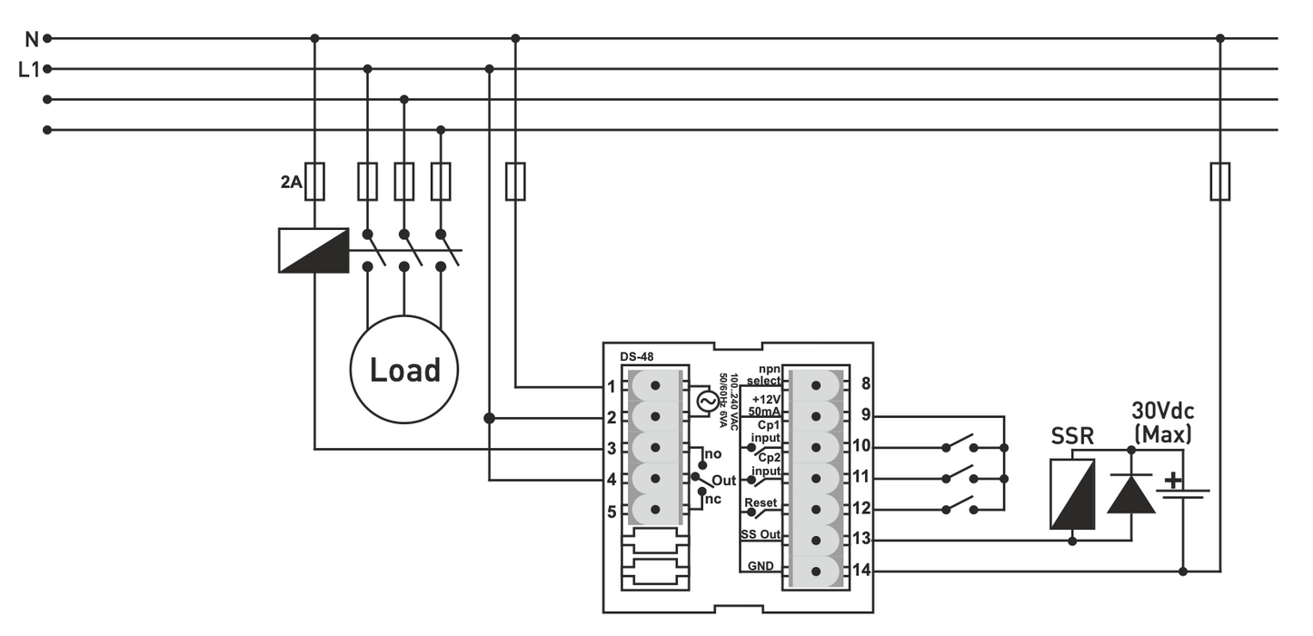
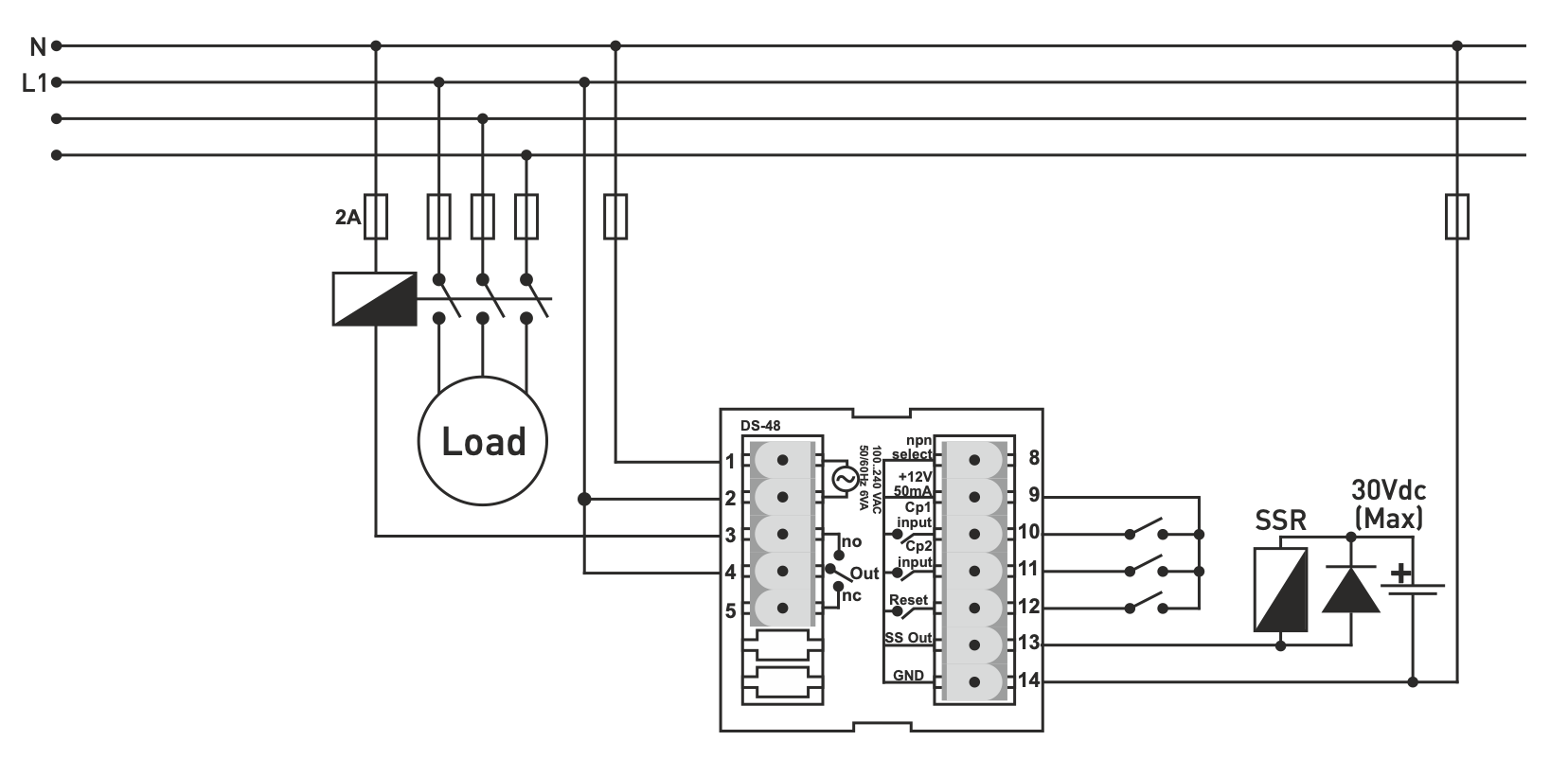
1× relé SPDT 250 VAC, 2 A (odporová zátěž) – COM (4), NO (3), NC (5)
-
1× SSR řízení (NPN, max. 100 mA, 30 V) – svorky 13 (SSout), 14 (GND)
Napájení
-
100–240 V AC, 50/60 Hz
-
Spotřeba: < 8 VA
Provozní podmínky
-
Pracovní teplota: –20 °C až +55 °C
-
Max. nadmořská výška: 2000 m
Speciální vlastnosti
-
Paměť EEPROM uchovává veškeré nastavení i aktuální počty po výpadku napájení
-
Nastavitelný OFFSET počítané hodnoty
-
Ochrana heslem proti nechtěné změně parametrů
-
Možnost volby desetinné čárky (0 / 0,0 / 0,00 / 0,000)
Instalační doporučení
-
Používejte stíněné a kroucené signální kabely, stínění uzemněte
-
Oddělte signální vodiče od napájecích a silových kabelů
-
Použijte pojistku F250 mA / 250 VAC na napájecím vstupu
-
Chraňte zařízení před vlhkostí, vibracemi, prachem a extrémní teplotou
-
Pro mechanické spínače doporučeno nastavit vstupní frekvenci na 20 Hz
-
Při použití dvou vstupů:
Režim Phs4 → max. ¼ vstupní frekvence
Režimy 1u2u, 1u2d, Phs2 → max. ½ vstupní frekvence
SKU:DS-48
