1
/
z
6
Multifunkční časové relé 2x4 LED displej pro montáž na panel/dveře
Multifunkční časové relé 2x4 LED displej pro montáž na panel/dveře
Ujistěte se, že jste zvolili správnou variantu produktu.
Skladové zásoby docházejí, zbývající množství: 1
Běžná cena
2 395,00 Kč
Běžná cena
Výprodejová cena
2 395,00 Kč
Jednotková cena
/
za
Včetně daní.
Poštovné se vypočítá na pokladně.
0.0 kg
Dostupnost vyzvednutí nebylo možné načíst
Sdílet
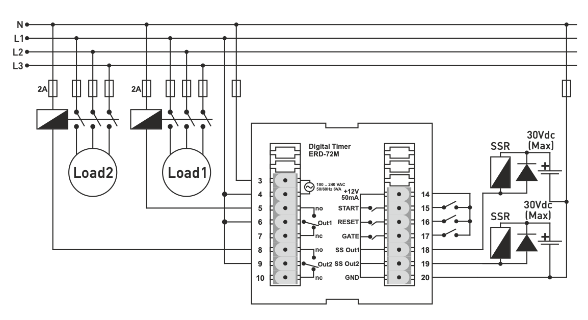
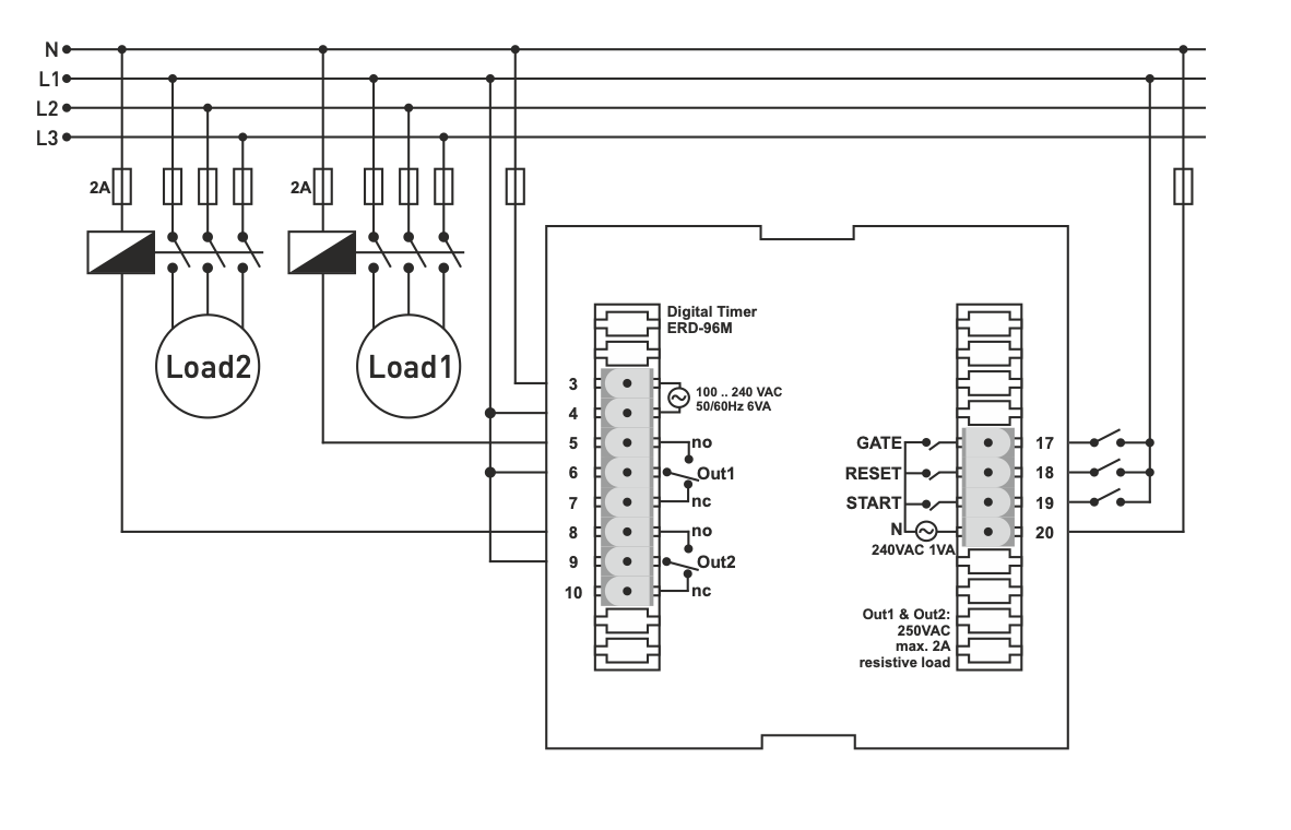
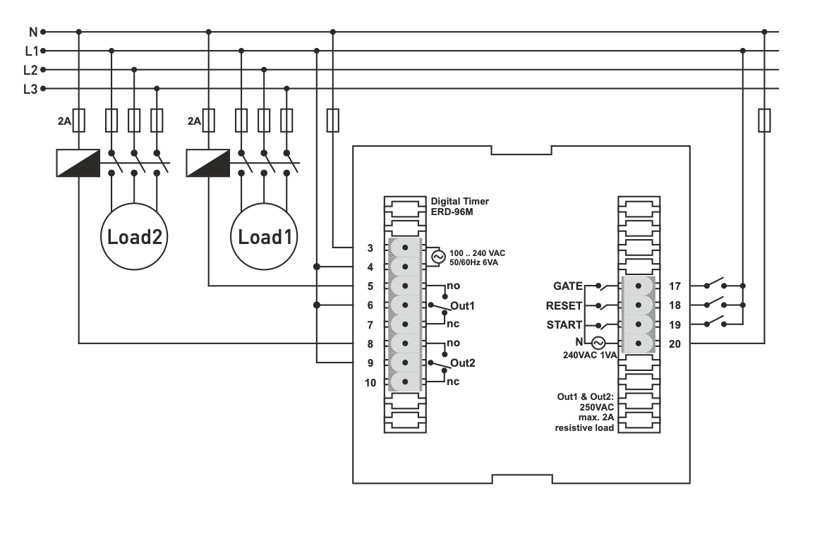
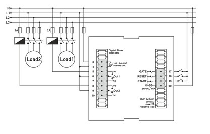
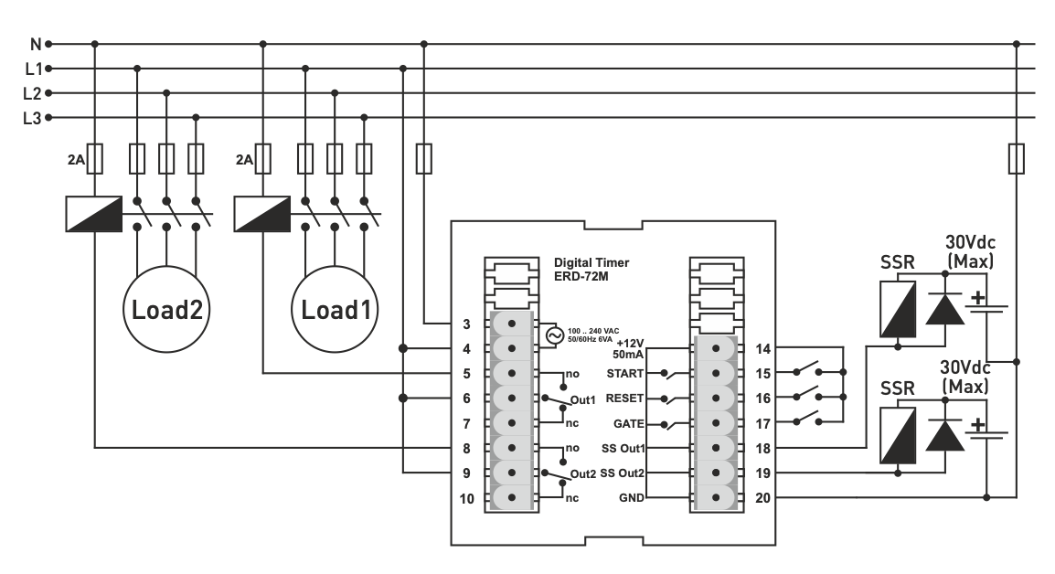
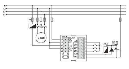
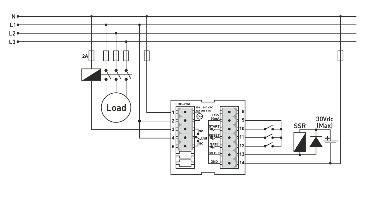
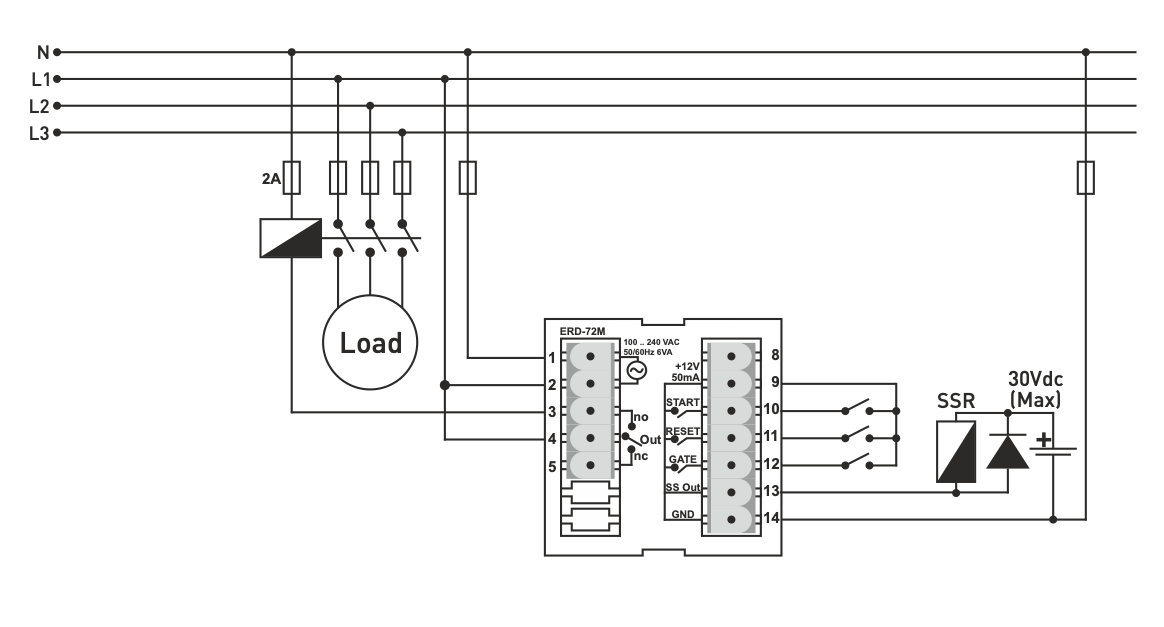
Multifunkční časové relé 2x4 LED displej pro montáž na panel/dveře. TENSE ERD-96M, ERD-48M, ERD-72M
Časové relé s osmi funkcemi :
Mode 0: Pulsed Delay, OFF with RESET
Mode 1: Flashing with START/RESET
Mode 2: One Shot after ON and OFF
Mode 3: OFF Delay
Mode 4: Follow & ON Delay
Mode 5: Delayed One Shot after OFF
Mode 6: Chronometer - Count with START
Mode 7: Chronometer - Count with START, Reset with RESET
Rozsah nastavení času:
99:59 hodin / 99:59 minut / 599,9 sekund
SKU:ERD-48M
