RGT-12E - Regulátor jalového výkonu 12 úrovňový +TCR
RGT-12E - Regulátor jalového výkonu 12 úrovňový +TCR
Ujistěte se, že jste zvolili správnou variantu produktu.
Skladové zásoby docházejí, zbývající množství: 5
0.0 kg
Dostupnost vyzvednutí nebylo možné načíst
Sdílet
Regulátor účiníku 12 kroků + TCR s 2,9" grafickým LCD displejem (TENSE) – RGT-12E
Regulátor jalového výkonu RGT-12E od společnosti TENSE je plně automatický a vysoce přesný regulátor určený pro optimální řízení kompenzačních stupňů v energetických systémech. Díky digitálnímu měření, inteligentním algoritmům a grafickému LCD displeji zajišťuje stabilní účiník, efektivní řízení jalového výkonu a ochranu kompenzačního zařízení.
Hlavní vlastnosti a funkce
Automatická detekce kompenzačních stupňů
Regulátor se po zapnutí sám nakonfiguruje:
-
automaticky rozpozná velikost připojených kondenzátorových stupňů
-
je možné zadat parametry také ručně
-
systém průběžně kontroluje stav jednotlivých stupňů
Inteligentní řízení spínání
Regulátor spíná a odpíná stupně tak, aby:
-
bylo dosaženo stabilního účiníku s minimálním počtem spínání
-
byly jednotlivé stupně zatěžovány rovnoměrně
-
byly upřednostněny kondenzátory s nejmenším zbytkovým nábojem
-
probíhala souběžná kontrola stavu každého stupně (výpadky, změny výkonu, vyřazení a opětovné zařazení)
Podpora TCR (Thyristor Switched Reactor)
Regulátor umožňuje řízení kompenzace s tyristorovými reaktory, což je ideální pro:
-
průmyslové aplikace
-
dynamickou kompenzaci
-
systémy s častými změnami zatížení
Pokročilé měření a analýza
-
měření harmonických napětí a proudů až do 31. harmonické
-
sledování celkové energie (import / export)
-
měření THD-V a THD-I pro každou fázi
-
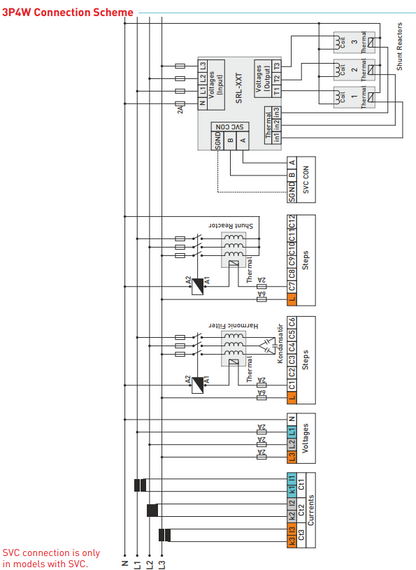
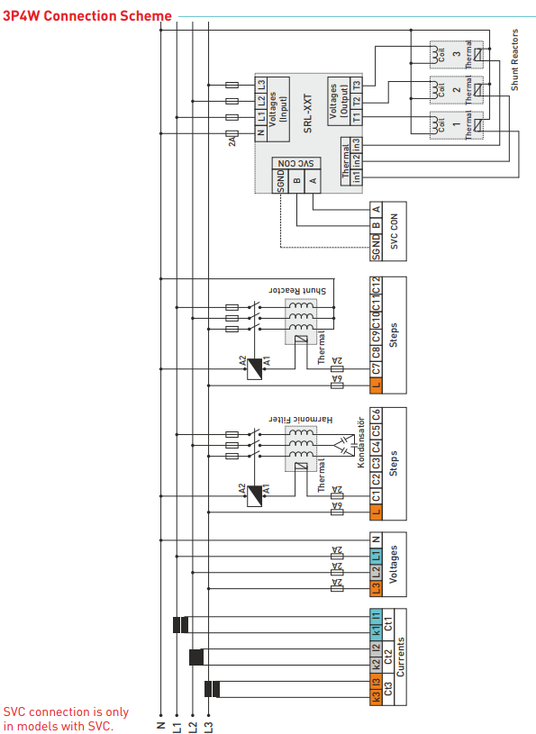
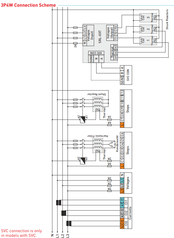
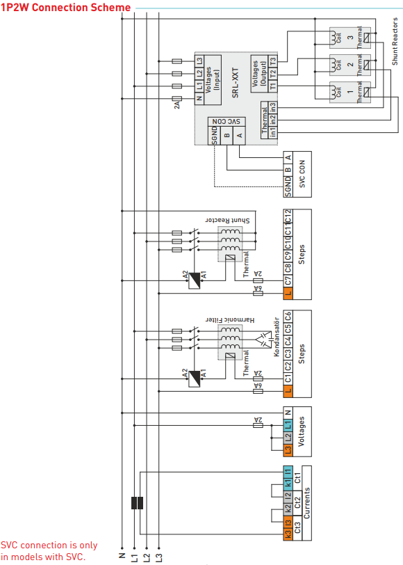
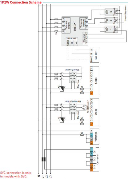
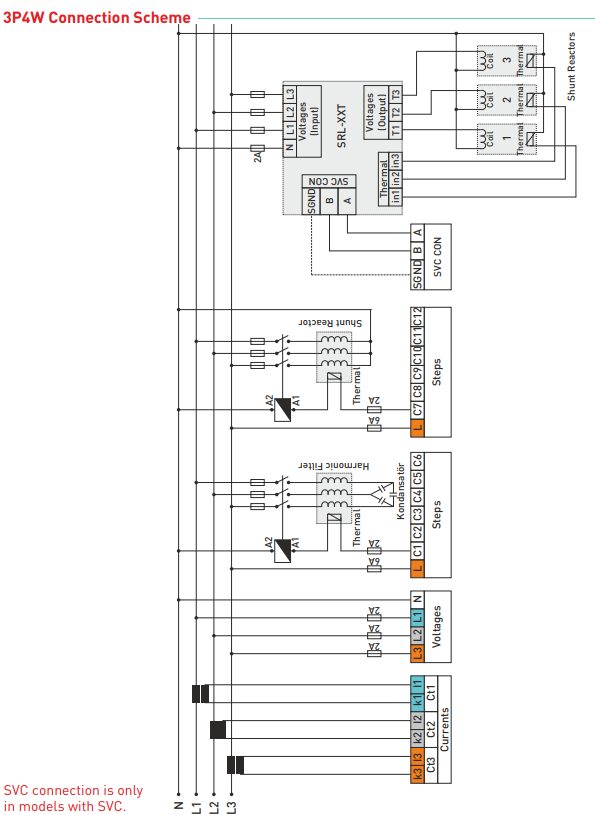
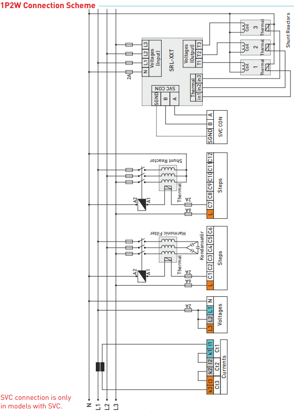
tvorba analýzy výkonu (20 vzorků po 9999 min) – velmi užitečné při návrhu kompenzačních sestavFlexibilní zapojení kompenzačních prvků
Možnost použití:
-
jednofázových kondenzátorů
-
dvoufázových kondenzátorů
-
třífázových kondenzátorů
-
bočníkových reaktorů
Nastavitelné časové funkce
Lze nastavit:
-
dobu zásahu
-
dobu vybíjení
-
dobu usazování
To umožňuje přesné přizpůsobení regulace charakteru provozu.
Funkce generátoru
Regulátor má:
-
vstup pro řízení generátoru
-
funkce kompenzace při napájení z generátoru
Technické vlastnosti (stručný přehled)
-
12 reléových kompenzačních výstupů
-
Podpora TCR
-
Grafický LCD displej 2,9"
-
Automatická detekce stupňů
-
Měření harmonických až do 31. řádu
-
Energetické statistiky a historie
-
THD-V / THD-I
-
Podpora jednofázových, dvoufázových i třífázových stupňů
-
Programovatelný čas vypnutí, zapnutí a vybíjení
-
Ochrana proti poruchám ve stupních
SKU:RGT-12E
