RGT-MT18 - Regulátor jalového výkonu 18 úrovňový +TCR s RS485 ModBus
RGT-MT18 - Regulátor jalového výkonu 18 úrovňový +TCR s RS485 ModBus
Ujistěte se, že jste zvolili správnou variantu produktu.
Skladové zásoby docházejí, zbývající množství: 1
0.0 kg
Dostupnost vyzvednutí nebylo možné načíst
Sdílet
Regulátor jalového výkonu RGT-MT18 – 18 kroků + SVC, dotyková obrazovka, RS485 MODBUS RTU
Nový vývoj společnosti TENSE implementuje všechny nejnovější požadavky moderních systémů kompenzace jalového výkonu instalovaných v průmyslových i občanských zařízeních: továrny, dílny, farmy, hotely, čerpací stanice, nákupní centra, školy, nemocnice, banky.
O zařízení
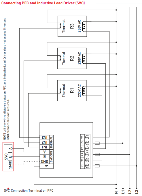
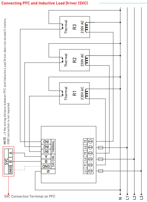
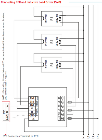
RGT-MT18 je 18-krokový regulátor korekce účiníku s dotykovou obrazovkou, třífázový, kompatibilní s SVC (TCR).
-
Slouží k kompenzaci jalového výkonu (indukčního i kapacitního).
-
Pokud ze sítě pochází indukční jalová energie, regulátor připojuje kondenzátory.
-
Pokud ze sítě pochází kapacitní jalová energie, regulátor připojuje shuntovou tlumivku.
-
Cílem je snížení poměru mezi indukční a kapacitní, a činnou a jalovou energií v systému.
-
Umožňuje efektivní krokovou kompenzaci pro nevyvážené systémy.
Co je SVC (TCR)?
SVC – Statická kompenzace VAR je statický systém kompenzace jalového výkonu, který využívá tyristorově řízené reaktory pro plynulou a rychlou kompenzaci kapacitního výkonu v systému.
Hlavní výhody a funkce
-
18 reléových výstupů + SVC (TCR)
-
5palcová dotyková obrazovka – snadná instalace a plná kontrola systému
-
Výstup alarmu: napětí, harmonického proudu/napětí, indukčního a kapacitního výkonu
-
Vstup generátoru a kompenzace generátoru
-
Vzdálená komunikace RS485 (MODBUS RTU)
-
Manuální nastavení krokové hodnoty
-
Připojení jedno-, dvou- a třífázových kondenzátorů a shuntových reaktorů
-
Sledování harmonických napětí a proudu až do 61. harmonické
-
Výstup alarmu teploty
-
Grafické zobrazení: účiník, cosφ každé fáze
-
Grafické zobrazení: poměr kapacitní/činné a indukční/činné energie
-
Sledování celkové energie (import/export)
-
Sledování THD-V a THD-I každé fáze
-
Generování analýzy výkonu (20 vzorků, 9999 min.)
-
Záznam spotřeby (činný, jalový, zdánlivý a proudový výkon)
-
Sledování min., max. a průměrných hodnot proudu a napětí každé fáze
-
Reálný čas (RTC)
-
Menu chráněno heslem
Technické specifikace
-
Napájecí napětí: 100–300 V AC
-
Frekvence: 50/60 Hz
-
Spotřeba: < 12 VA
-
Provozní teplota: –20 °C až +55 °C
-
Rozsah měření napětí: 5–280 V AC
-
Rozsah měření proudu: 5 mA – 5,5 A (bez proudového transformátoru)
-
Připojitelné TTI: 5/5 A … 10000/5 A
-
Počet harmonických: 2–61
-
Hodiny reálného času: > 5 let
-
Přesnost měření: ±1 %
-
Displej: 5palcový barevný dotykový
-
Typ připojení: svorkovnicové
-
Výstupní kontakty stupňů: 3 A / 250 V AC
-
Počet stupňů: 18 + SVC
-
Rozhraní: RS485 MODBUS RTU
-
Průměr kabelu: 2,5 mm²
-
Hmotnost: max. 900 g
-
Montáž: zapuštěná do panelu
-
Pracovní nadmořská výška: < 2000 m
-
Třída ochrany: IP41 (přední panel), IP20 (pouzdro)
-
Rozměry výřezu v panelu: 140 × 140 mm
SKU:RGT-MT18
