Zpožďovací časové relé 230 V/AC (ON DELAY)48 x 48mm - 3 / 12 / 30 / 60 sec/min
Zpožďovací časové relé 230 V/AC (ON DELAY)48 x 48mm - 3 / 12 / 30 / 60 sec/min
Ujistěte se, že jste zvolili správnou variantu produktu.
Skladové zásoby docházejí, zbývající množství: 9
0.0 kg
Dostupnost vyzvednutí nebylo možné načíst
Sdílet
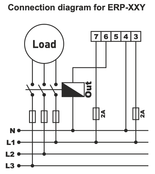
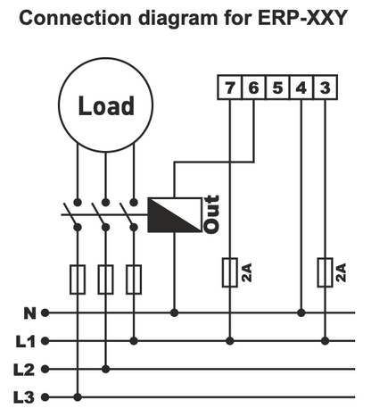
Časové relé ON-DELAY ERP (TENSE)
Popis:
Časové zpoždění ON-DELAY vestavěné monofunkční relé 230 V/AC s jedním spínacím kontaktem. Relé se používá k postupnému spínání zátěží, například elektrických kotlů, pecí, ohřívačů, a zabraňuje proudovým rázům v síti, které by mohly způsobit vypnutí jističů při velkých přepětích. Lze jej také využít ke koordinaci doby zapnutí více zařízení ve strojích, spotřebičích nebo jiných instalacích.
Technické parametry:
-
Napájení: 230 V AC
-
Výstup: 1 × spínací kontakt (SPDT)
-
Montáž: 8-pin, 1/16 DIN (48 × 48 mm)
|
ERP-03Y: 0–3 s |
0–3 s |
|
ERP-12Y |
0–12 s |
|
ERP-30Y |
0–30 s |
|
ERP-60Y |
0–60 s |
|
ERP-12DY |
0–12 min |
|
ERP-03DY |
0–3 min |
|
ERP-30DY |
0–30 min |
|
ERP-60DY |
0–60 min |
Použití:
-
Postupné spínání zátěží (elektrické kotle, pece, ohřívače)
-
Ochrana proti proudovým rázům v síti
-
Koordinace zapínání více zařízení
Výhody:
-
Spolehlivé a přesné časové relé
-
Jednoduchá instalace na DIN lištu
-
Univerzální použití v průmyslu i domácnosti
Kategorie: Průmyslové relé, Časová relé, Automatizace
SKU:ERP-03Y
